Product Summary
The V300B3V3C150BL is a DC-DC converter. This module uses 2nd Generation power processing, control and packaging technologies to provide the performance, flexibility and cost effectiveness expected of a mature power component. For example, a plated-cavity core transformer couples widely separated primary and secondary windings, resulting in low in-toout parasitic capacitance and noise. High frequency ZCS/ZVS switching, advanced power semiconductor packaging and thermal management provide high power density with low temperature gradients. Extensive use of silicon integration results in 1/3 the part count of a 1st Generation converter.
Parametrics
Absolute maximum ratings:(1)+In to -In voltage: -0.5 to +375Vdc; (2)+In to -In voltage: 400Vdc; (3)PC to -In voltage: -0.5 to +7.0Vdc; (4)PR to -In voltage: -0.5 to +7.0Vdc; (5)+Out to -Out voltage: -0.5 to +16.1Vdc; (6)+Sense to -Out voltagE: -0.5 to +16.1Vdc; (7)-Sense to -Out voltage: 1.0Vdc; (8)SC to -Out voltage: -0.5 to +1.5Vdc; (9)Isolation voltage (in to out): 3000Vrms; (10)Isolation voltage (in to base): 1550Vrms; (11)Isolation voltage (out to base): 500Vrms; (12)Storage temperature (C-Grade): -40 to +125℃; (13)Operating temperature (C-Grade): -20 to +100℃; (14)Pin soldering temperature: 500 (260)F (℃); (15)Pin soldering temperature: 750 (390)F (℃); (16)Mounting torque: 5 (0.57) in-lbs (N-m).
Features
Features:(1)DC input range: 180 - 375V; (2)Input surge withstand: 400V for 100ms; (3)DC output: 12V; (4)Programmable output: 10 to 110%; (5)Regulation: ±0.3%; (6)Efficiency: 86.3%; (7)Maximum operating temperature:100°C at full load; (8)Power density: 100W/cubic inch; (9)Height above board: 0.43 in. (10,9 mm); (10)Parallelable, with N+M fault tolerance; (11)Low noise ZCS/ZVS architecture.
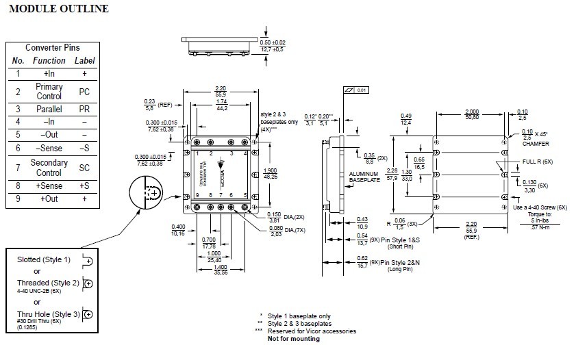
Diagrams

| Image | Part No | Mfg | Description | ![]() |
Pricing (USD) |
Quantity | ||||||||||
|---|---|---|---|---|---|---|---|---|---|---|---|---|---|---|---|---|
![]() |
![]() V300B3V3C150BL |
![]() |
![]() CONVERTER MOD DC/DC 3.3V 150W |
![]() Data Sheet |
![]()
|
|
||||||||||
![]() |
![]() V300B3V3C150BL2 |
![]() |
![]() CONVERTER MOD DC/DC 3.3V 150W |
![]() Data Sheet |
![]()
|
|
||||||||||
![]() |
![]() V300B3V3C150BL3 |
![]() |
![]() CONVERTER MOD DC/DC 3.3V 150W |
![]() Data Sheet |
![]()
|
|
||||||||||
(Hong Kong)








